+7(3452) 50-05-51    ПН-ПТ 8.30-17.30 г. Тюмень ул. Домостроителей 6, строение 1 info@vesopribor.ru

Датчик МВ 50 т


Оформить заказ на
Датчик МВ 50 т
22000 руб.
(0)

Тензодатчики сжатия типа колонна с плоским основанием из нержавеющей стали. Диапазон нагрузок: 50т. Степень защиты оболочкой IP68

Купить

Тензодатчики сжатия типа колонна с плоским основанием. Используются для изготовления динамических автомобильных и железнодорожных весов, для взвешивания тяжелых емкостей и баков.

Благодаря конструктивным особенностям легко встраиваются в весоизмерительные системы, обеспечивают высокую надежность встройки, могут работать в любых условиях окружающей среды, имеют большой запас по перегрузочной способности.

Области применения

Вагонные весы для взвешивания в движении, взвешивание тяжелых емкостей и баков.


Особенности

  • Тензодатчики легко встраиваются при монтаже весоизмерительной системы
  • Датчики изготовлены из материалов и комплектующих лучших мировых производителей
  • Герметизация тензо- и термочувствительной схем производится кожухом и мембранами из нержавеющей стали, прикрепленными к упругому элементу с помощью лазерной сварки
  • Каждый датчик проходит проверку на герметичность гелиевым течеискателем
  • Многоступенчатая система контроля качества тензодатчиков
  • Гарантийный срок 4 года

Соответствие стандартам

ГОСТ Р 8.726-2010.
Датчики сило- и весоизмерительные серии МВ внесены в Госреестр средств измерений РФ под № 53637-13.
Датчики сило- и весоизмерительные серии МВ внесены в Госреестр средств измерений Республика Беларусь под № РБ 03 02 5311 13. Датчики весоизмерительные серии МВ сертифицированы на соответствие требованиям Технического регламента Таможенного союза TP ТС 012/2011 «О безопасности оборудования для работы во взрывоопасных средах». Сертификат №ТС RU C-RU.ГБ05.В.00238.



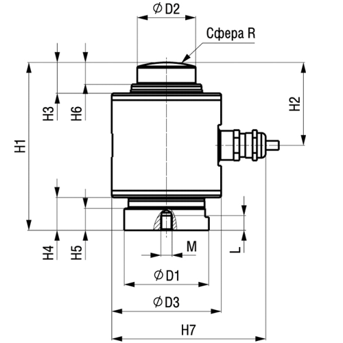
НПИ, т
H1, мм
H2, мм
H3, мм
H4, мм
H5, мм
H6, мм
H7, мм
D1, мм
D2, мм
D3, мм
R, мм
M, мм
L, мм
Масса датчика, кг
Длика кабеля, м
50
140
74,8
31,6
22
15,5
24
131,5
77
50
101
100
M12
20
5,8


НПИ: 50 т
РКП: 1.5мВ/В
Rвх: 760 Ом
Rвых: 700 Ом
Диапазон термокомпенсации: -10...+40С
Диапазон рабочий: -30...+50С
Класс защиты: IP68
Материал: нерж. сталь