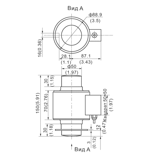
Датчик "КОЛОННА" BM14G 30т
19945 руб.
Тензометрический датчик для электронных автомобильных большегрузных весов, модель BM14G. Диапазон нагрузок 30т.

