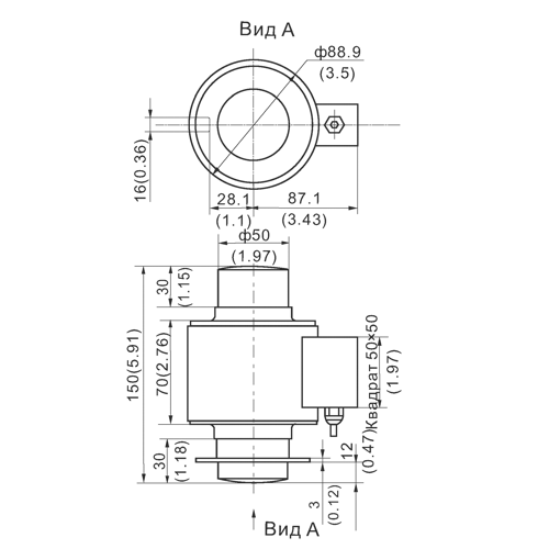
Датчик "КОЛОННА" BM14G 20т
18580 руб.
Тензометрический датчик для электронных автомобильных большегрузных весов, модель BM14G. Диапазон нагрузок 20т.

