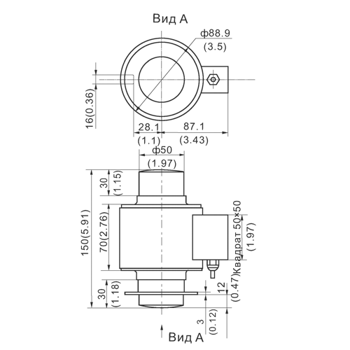
Датчик "КОЛОННА" BM14G 10т
18580 руб.
Тензометрический датчик для электронных автомобильных большегрузных весов, модель BM14G. Диапазон нагрузок 10т.

